Vistas:0 Autor:Editor del sitio Hora de publicación: 2023-08-30 Origen:Sitio
En el ámbito de la industria moderna, el impulso de tecnologías innovadoras no sólo mejora la eficiencia de la fabricación sino que también redefine los estándares de producción. En medio de este panorama dinámico, la tecnología de moldeo por soplado de tanques IBC se erige como pionera y dirige el futuro de la producción de tanques IBC con su impactante influencia. Como proceso de fabricación fundamental, el moldeo por soplado en tanques IBC no solo agiliza las líneas de producción sino que también garantiza una consistencia incomparable en la calidad del producto. En este artículo, profundizamos en los elementos centrales del moldeo por soplado de tanques IBC y su papel fundamental dentro de las líneas de producción contemporáneas. Revelemos el enigma de esta tecnología, explorando cómo encabeza las tendencias en el sector manufacturero y remodela la trayectoria de la innovación de productos.
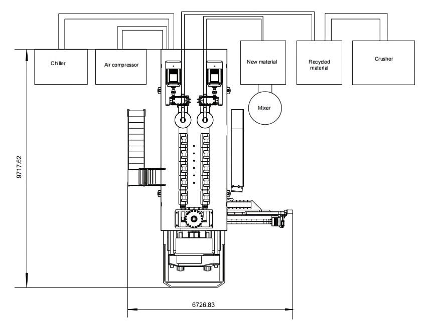
Presentamos la línea de máquinas de moldeo por soplado de tanques IBC: una sinergia de destreza tecnológica e ingeniería de precisión. Este sistema integrado comprende elementos clave como la máquina de moldeo por extrusión-soplado, el molde del tanque IBC y los probadores de calidad, dando forma a la perfección a los tanques IBC de alta calidad con eficiencia y confiabilidad. Esta línea redefine la fabricación, garantizando productos de primer nivel que cumplan con los más altos estándares de la industria.
Máquina sopladora de tanques IBC en producción
La máquina de moldeo por soplado con tanque IBC ofrece opciones versátiles con capacidades de una, dos y tres capas. Con una capacidad de producción de 22 piezas por hora, este sistema avanzado ofrece eficiencia y calidad. Centrándose específicamente en la máquina de moldeo por soplado de tanques IBC de 2 capas, ejemplifica la ingeniería de precisión para una estratificación óptima, garantizando robustez y contención de fluidos.
Capacidad mejorada de doble capa:
1. Asegurar la integridad del líquido con una capa exterior a prueba de luz en color azul o negro, salvaguardando el contenido.
2. Utilice HDPE reciclado para la capa exterior, optimizando la rentabilidad sin comprometer la calidad.
3. Adapte la tasa de proporción de las capas duales, permitiendo una personalización flexible para cumplir con requisitos específicos.
Lista de componentes y hoja de especificaciones de la máquina sopladora de tanques IBC
ESPECIFICACIÓN | BMS135Z | DESCRIPCIÓN |
Volumen máximo de producto | Tambor IBM de 1000L | |
Peso de la máquina | 60 toneladas | |
Tamaño de la máquina ( largo x ancho x alto) | 9,0 × 6,5 × 7,8 (largo × ancho × alto) | |
UNIDAD DE EXTRUSIÓN | ||
Diámetro del tornillo | 120 mm x 2 | Para material de tornillo HDPE |
Relación longitud/diámetro | 30:1 | |
Material del barril | 38CrMoAIA + tratamiento con nitruro | |
Material del calentador | Indicación del sensor de fusión y cerámica | |
Potencia del motor de extrusión | 132KWx2 | |
Capacidad de plastificación | 800Kg/hora | PEAD |
CABEZA DE TROQUEL | ||
Tipo de cabeza | Acumulación especial de tambor IBC | Primero en entrar, primero en salir |
Zona de calentamiento No. | 8 | |
Potencia de calefacción | 56kW | |
Diámetro máximo del troquel | 950 mm | |
UNIDAD DE SUJECIÓN | ||
Estructura de sujeción | Dos barras de unión | |
Fuerza de sujeción | 2000 KN | |
Tamaño de la platina | 1600*1600mm | |
Carrera de apertura del plato | 1200-2600 mm | |
Movimiento del carro | Guía lineal + cilindro de alta presión deslizante. | |
SISTEMA DE CONTROL | ||
sistema de parison | Tener | Moog 100 puntos |
pantalla táctil | WEINVIEW | Hecho en Taiwán |
brazo robótico | Tener | Tipo tijera |
OTROS | ||
motor hidráulico | servomotor | FASE Italia |
bomba hidráulica | servobomba | Japón SUMITOMO |
Potencia del motor de extrusión | 136kW*2 | |
potencia total | 580kW | |
Consumo medio de energía | 174kW | |
Nombre | Proveedor |
Servomotor hidráulico | FASE/ Italia |
Bomba de aceite | SUMITOMO/ JAPÓN |
Válvula hidráulica | YUKEN/ JAPÓN |
Servoválvula | ATOS/Italia |
Sistema de control de parisinos | MOOG/JAPÓN |
Cazador de focas | Arriba DZ / EUROPEO |
Sistema de control por microcomputadora | MITSUBISHI PLC / JAPÓN |
Pantalla táctil | WEINVIEW / JAPÓN |
Controlador de temperatura | MITSUBISHI, / JAPÓN |
RSS | OMRON / JAPÓN |
Interruptor de aire | SCHNEIDER/ ALEMANIA |
Motor | SIMENS BEIDE |
recurso de energía | BIEN/ TAIWÁN |
Inversor | DELTA/TAIWÁN |
1. Esta máquina se utiliza para producir tanques internos de plástico. La capacidad de producción alcanza las 22 unidades por hora.
2. La máquina adopta dos sistemas extrusores y un fuerte tornillo de macromolécula, lo que garantiza una capacidad de plastificación estable.
3. Núcleo de troquel de diseño especial, que podría producir un rendimiento mínimo. peso 13 kg tambor IBC
4. Estructura de la máquina estable, placa intermedia a través de varilla de tracción, marco completo con diseño de módulo de alta precisión, fácil de desmontar y ensamblar, terminar de ensamblar en un día
5. Grosor del tambor uniforme, ocho esquinas fuertes.
6. Sistema hidráulico estable, velocidad rápida, tiempo de inyección de material de aproximadamente 10 segundos.
7. IBC de diseño especial acumula cabezal, intercambia material rápidamente, bajo consumo de energía
8. Sistema de enfriamiento separado para enfriamiento de tornillo y enfriamiento hidráulico para alcanzar un buen efecto de enfriamiento
9. Válvulas proporcionales para controlar la acción del pasador de soplado inferior y el brazo del robot, con precisión y estabilidad.
10. Máquina entera con diseño europeo.
Disposición de la pieza de soplado del tanque IBC
Máquinas auxiliares
I. Trituradora de plástico
La máquina trituradora de plástico es un dispositivo diseñado para convertir materiales plásticos en fragmentos más pequeños. Su objetivo es reciclar productos de plástico envejecidos y convertirlos en materias primas utilizables.
l Estructura totalmente soldada de acero, duradera.
l Diseño fácil de quitar, fácil limpieza y mantenimiento.
l Cortador de acero importado, hoja afilada, fácil de reemplazar, duradero
l Triture todo tipo de plástico duro y blando fácilmente
l Equipado con motor de inercia y cadena eléctrica, sistema de protección para garantizar un uso seguro
l Opciones de diferentes hojas y malla de pantalla.
Modelo | Fuerza | Hojas Nos. | Cámara de trituración | Capacidad | Tamaño | Peso |
PD800 | 30 CV | 6+4 piezas | 815*470mm | 600kg | 1750*1540*2340mm | 2T |
II. Autocargador por vacío para alimentación de HDPE
El cargador automático por vacío es un dispositivo que utiliza succión para transportar y alimentar automáticamente material HDPE (polietileno de alta densidad) a un sistema de procesamiento o fabricación.
• Operación simple, fácil mantenimiento, programa de operación eléctrica automática
• Tolva de acero inoxidable
•Protector de motores
• Alarma automática por sobrecarga y falta de material.
• Filtro independiente para fácil limpieza
• Detección de ojos eléctrica opcional directamente al instalar la tolva de la máquina
Modelo | Fuerza | Elevar | Tubería D | Capacidad | Tamaño | Peso |
X800G | 1,5 kilos | 5M | 38mm | 600kg | 1500*400*720mm | 80KG |
III.Mezclador para materia prima de HDPE
El mezclador de plástico utiliza un tornillo que gira rápidamente para levantar la materia prima desde el fondo del barril hasta el centro y luego hasta la parte superior, recogiendo y redistribuyendo posteriormente el material disperso de regreso al fondo. Este proceso cíclico logra eficientemente una mezcla completa y uniforme de un volumen sustancial de materias primas en un corto período de tiempo.
•Agitación en ciclo en espiral, mezcla de materias primas de manera más uniforme y rápida
• Fuerza mixta, poco tiempo, baja energía, alta eficiencia
• Los equipos y las materias primas que entran en contacto con la parte del material son todos de producción de acero inoxidable, la limpieza es fácil para evitar la corrosión.
• Puede elegir el temporizador, tiempo de mezcla de 0 a 30 minutos
• Equipado con dispositivos de protección de seguridad de control eléctrico para garantizar un funcionamiento seguro
Modelo | Fuerza | Velocidad | Calefacción Opcional | Capacidad | Tamaño | Peso |
JB1000L | 4kW | 330 rpm | 15kW | 1000kg | 1300*2670*630mm | 700 kilos |
IV. Enfriador enfriado por agua
El enfriador enfriado por agua es un sistema de enfriamiento que utiliza agua como medio para disipar el calor de un proceso o equipo, reduciendo efectivamente la temperatura y manteniendo condiciones operativas óptimas.
1. con compresa importada, alta eficiencia y gran capacidad de enfriamiento
2. con tamaño compacto
3. con ahorro de energía
4. más adecuado para la refrigeración de tanques IBC con refrigeración y rendimiento perfectos
Modelo | Fuerza | Temperatura de agua de refrigeración | flujo de agua | Capacidad | Tamaño | Peso |
SML-11S | 30 CV | 5-30 grados | 28 cbm/h | 76000kcal por hora | 2800*900*1800mm | 1,2 toneladas |

V. Torre de enfriamiento para enfriador de agua
1. Motor marca ABB completamente sellado, antilluvia, velocidad de rotación promedio, antidesgaste
2. reductor de diseño especial con larga vida útil
3. Con motor de material de aleación de aluminio con ventiladores altos y bajo nivel de ruido.
4. Material de relleno: Formación de PVC virgen, prolonga el tiempo de intercambio agua-aire, con una vida más larga.
Modelo | Fuerza | Fluir | ruido db | Fanáticos D | Tamaño | Peso |
60T | 1,5 kw | 46,8 cbm/h | 63.5 | 1170 mm | D2100*2150mm | 250 kilos |

VI. Compresor tipo tornillo para soplado de aire.
Se utiliza un compresor de tornillo para generar flujo de aire mediante el empleo de tornillos giratorios para comprimir y empujar el aire hacia adelante, proporcionando capacidades de soplado de aire eficientes y consistentes.
1. Silencioso y de baja vibración
2. Diseño fácil de usar, estructura optimizada
3. bajo costo de mantenimiento
4. Alta eficiencia de enfriamiento
5. Verdadero impulsor directo
6. baja pérdida de energía
Modelo | Fuerza | Presión | Capacidad | Salida D | Tamaño | Peso |
XLAM40A | 40 CV | 10 barras | 4,3 cbm/min | G11/4 | 1200*950*1358mm | 620 kilos |

VII. Transportador para envío de pieza desbarbada
La cinta transportadora está diseñada para transportar piezas de plástico del tanque IBC después del desbarbado.
1. Tipo completamente automático
2. con motor
3. altura ajustable
4. con botón de seguridad
5. con un mantenimiento más fácil
6. con poco ruido
Modelo | longitud | altura | Ancho | Capacidad | Tamaño | Peso |
TQ1000C | 2M | Basado en granulador H | 800 mm | 500kg | 2000*800*1,5 M | 600kg |

VIII. PROBADOR DE FUGAS para conexión de válvulas
La máquina de prueba de fugas puede detectar si la conexión de la válvula del tanque IBC tiene fugas o no.
1. Con transportador para subir y bajar más fácilmente
2. Con resultado de prueba preciso
3. se puede conectar con una línea completamente automática
4. resultado que se muestra en la pantalla
5. el tiempo se puede configurar de forma ajustable
6. con un mantenimiento más fácil
Modelo | Presión de aire | tiempo de presión | guía deslizante | parte aérea | Tamaño | Peso |
HJ1000LK | 0,5 MPa | 5 minutos | SBR | AIRTAC | 2000*2000*2340mm | 1T |

IX. Probador de vibraciones para tanque IBC con marco
1. Mesa IBC Calidad sólida con larga vida útil
2. La pantalla táctil muestra la frecuencia de vibración.
3. Motor de vibración con rueda excéntrica y resorte, alcanza una amplitud vertical de 25 mm;
4. Caja de control separada y cuerpo principal, operación segura
5. fácil instalación y funcionamiento estable
6. Mesa de acero inoxidable 304, sin oxidación, sin deformación.
7. Mesa vibratoria con tipo de frecuencia variable, fuerte capacidad de sobrecarga
8. Con protección contra exceso de velocidad, previene la seguridad.
Modelo | Frecuencia | Amplitud | gran carga | Tamaño de la mesa | Configuración de tiempo | Peso |
ZDZD1-IBC | 2-5Hz 100-300 rpm ajustable | tipo vertical 25mm | 2000kg | 1200*1200mm | 0-999 horas ajustable | 800kg |

Nuestra máquina de moldeo por soplado de tanques IBC es un testimonio de innovación y eficiencia en el ámbito de la producción industrial. Centrándose en la precisión, la estabilidad y la adaptabilidad, nuestras máquinas elevan la creación de tanques IBC a nuevas alturas. Ya sea por la simplicidad de una sola capa o las capacidades avanzadas de nuestro sistema de doble capa, estamos dedicados a satisfacer y superar sus necesidades de producción. Experimente el futuro de la fabricación de tanques IBC con nosotros, donde la excelencia no es sólo un objetivo, sino un estándar.